产品快速通道
永元铝壳卧式三相马达

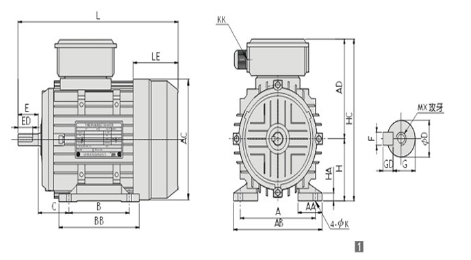
- 产品参数:
- 产品型号: AEEF
- 额定功率:1/4HP-60HP
- 电压:380V.220V
- 转速/极数:2级,4级,
- 安装方式:卧式
详细参数
永元铝壳卧式三相马达特点:1采用E级绝缘及高级导电材料,温升低,寿命长,性能优越 2外型轻巧,坚固耐用3优越的设计,噪音低,运转安静 4 启动转矩大,惯性小,运转顺畅,省电效果较佳,马达强劲有力。5特性合乎国家CNS及各项国际认证等标准。6标准IEC公制尺寸,具有互换性,适合各界需要
1、刹车马达,提供当电源切断后,可手动释放刹车,转动马达出力。2、刹车来今片是由高摩擦系数和长寿命的材料制成,刹车次数可达1,00,000次后调整一次,可耐较高的温升、当温度在75℃时仍能全负载使用。3、刹车马达使用AC电源,经由整流器转换后供应给DC刹车线圈使用其特性是噪音低、冲击小。正反转均能有效地达到刹车动作。4、刹车部分零部件充足,






粤ICP备11012611号
