产品快速通道
蜗杆减速机JRST系列

- 产品参数:
- 产品型号: JRST
- 额定功率:可匹配0.18KW~15KW
- 电压:null
- 转速/极数:null
- 减速比:1/7.5-1/100
- 安装方式:null
详细参数
蜗杆减速机也叫蜗杆减速器或蜗杆减速马达,属于中空铝壳减速机种类之一,为国内减速机第一品牌杰牌减速机公司产品,是国内最早的蜗杆减速机厂家之一,此蜗杆减速机JRST系列为蜗轮蜗杆结构。
蜗轮蜗杆减速机:功率0,12-160KW;减速比1,35-14340,3;扭矩到300NM;规格16输入和输出轴在同一条直线上。地脚安装和法兰安装形式可以满足不同的固定要求,法兰也是一天SUO造的法兰。这种设计确保了箱体的强度。斜齿轮平行轴输出减速机:功率0,12-200KW;减速比4,03-6616,79;扭矩到90000NM;
蜗杆减速机JRST系列安装说明:
1.1安装注意事项
11.1 减速机须安装在平整坚固的底座上,底脚螺栓必须紧固、防震。
1.1.2 原动机--减速机--工作机的各联接轴伸.安装后必须互相准确对准轴线。
1.1.3 减速机输入端及输出端轴伸外径尺寸公差均按h6制作.与之相配的联轴器、皮带轮、链轮等传动件内孔须按合适的尺寸公差配制,避免装配过紧损坏轴承.装配过松影响正常动力传递。
1.1.4 链轮、齿轮等传动件装上轴伸时.应尽量靠近轴承.以减少轴伸弯曲应力。
1.1.5 WPD型减速机装配电机时,应在蜗杆头部内孔孔壁及键槽处涂抹黄油.避免装配过紧.防止轴孔日久生锈。
1.1.6 订购使用各类WPD减速机时.若电机重量偏大.应设支撑装置。
1.2使用注意事项
1.2.1 使用前应注惫检查减速机型式结构、中心距规格、传动比、拍入轴连接方式、输出轴结构、输入轴输出轴轴指向和回转方向等是否符合使用要求。
1.2.2 按照样本上“油品润滑”中所规定的要求,注入合适的品种牌号润滑油。加油后,旋紧顶部的通气器,拔掉通气器上之小锥塞.减速机方可开始运转.必须选用合适牌号的润滑油.必须控制适宜的加油量。必须按规定要求及时换油.尤其要重视首次使用100小时后的更换新油。
1.2.3 使用过程中发生不正常情况时.应及时停机检查,可参照“故障分析’表处理。(减速机的油温最高允许达到95℃.在此温度界限下.只要油温不再上升.可以放心使用)。
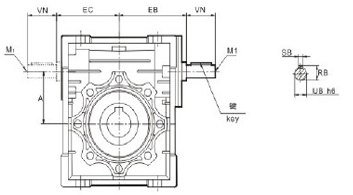
蜗杆减速机JRST系列剖面图:







粤ICP备11012611号
