产品快速通道
EHS429/439

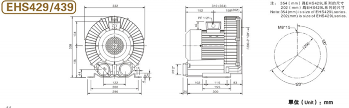
- 产品参数:
- 产品型号: EHS429/439
- 额定功率:1.5~2.2KW
- 电压:220v/415v
- 风量:3.6
- 风压:180/270
- 转速/极数:null
- 安装方式:null
详细参数
单段鼓风机EHS429/439质量和安全有极大保障:吹吸两用,采用德国技术,特殊叶片设计,压力高、风量大、噪音低、寿命长。 2、特殊峋调节风门,风量控制稳定性高,操作容易。 3、样式种类齐全。绝缘性能强,安装容易, 可靠性高,高压缩比,轴承运转温度低,无油无污染,保养容易,外观优美,吹吸双功能, 最高品质. 造就一流品质。高压和高吸力的产生在于叶轮独特的设计。旋涡气泵的叶轮边缘带有多个叶片,当叶轮旋转时,由于离心作用,两个叶片中的空气被快速地往外缘方向运动,传转输能量,风压被快速叠加,便形成了高压或高力其速度得到增加。当空气被风道重新导入叶轮后,将再次被加速。由于多个叶片传转输能量,风压被快速叠加,便形成了高压或高吸力。品质保用一年,终身维护
高压鼓风机,高压风机,鼓风机,离心式鼓风机,上海高压风机,高品质-低噪音-新设计-风量大-压力高-寿命长-保养容易-铝合金外壳重量轻-外观小巧-吹吸双功能
1、高壓風機暢銷全球 每台鼓風機在出廠前均經過嚴格測試。
2、高压鼓风机電壓:萬國電壓50HZ/60HZ(220V-380V-415V)特殊电压可订做!
3、高压鼓风机功率:0.18KW-25KW
单段鼓风机EHS429/439的特点
一般情况下,高压风机具有以下特点:
1、具有吹吸双功能,一机两用,可以用吸风,也可以用吹风;
2、无油运转,输出的空气是干净的;
3、相对于离心风机和中压风机来说,其压力高很多,往往是离心风机的十 几倍以上。
4、如果泵体是整体压铸,并且使用了防震安装脚座,那么它对安装基础的要求也是很低的,甚至可以不用固定脚座即可正常运转,非常的方便,也非常的节省安装费用和安装周期;
5、相对到其它类型的风机,比如罗茨风机,其运转的噪音较低,功率越大越明显,5.5KW以上就会显示出来;
6、免维护使用;它的损耗件仅仅是两个轴承,在质保期之内,基本上不需要维护;
7、高压风机的机械磨损非常微小,因为除了轴承之外,没其它的机械接触部分,所以,使用寿命当然也是非常的长,只要是处于正常的使用条件下,3~5年是完全没有问题的。
8、高压风机 :采用德国先进技术,在通过加上一体式的销音设施,改进了高压风机静音现像,而提升了静音的效果2、可靠性高当使用情况变化时,机器仍可安全运转。除了叶轮之外,高压鼓风机没有其他动作,因此可靠性之高几乎免维修。使用独一无二且散热良好的精密外侧轴承,因此它具有下列优点:高压缩比;轴承运转温度低;润滑油脂寿命长;免保养。 3.安装容易 配备齐全,可随时安装与使用,供压缩空气或用于抽真空,也可任意安装于水平或垂直的方向。 4.无油无污染 叶轮旋转时,不与任何部分零件接触,免润滑,因此可保证百分之百无污染。 5.最高品质 经过17年的专业制造经验,最精密机械设计加上慎重电机配合标准仪器测试,使用所有零件均能达到最高品质要求,运用标准ip54,f级马达效率高,故障极少,马达与鼓风机之间有轴封分试,预防异物进入。同时为确保功能效果,每一台鼓风机在出厂前均经过严格测试。 6.电压:万国电压型,50HZ 60HZ均可用,无论您的产品是出口至欧美的使用60Hz,高电压的国家,还是中东,非洲等使用50Hz电压的国家及地区,本风机均能达到要求,功能产齐全,让您无后顾之忧! 适应行业:剑杆织机、丝网印刷机、成像机、照排机、切纸,医疗设备,食品机械,各式燃烧机,锅炉设备,环保设备,木工机械、除尘设备,pcb设备,除湿干燥机清洗设备,,吸尘设备,公共场所供氧,干洗设备,等等
9、風機大量销往國內外市場,聲明卓著,供不應求;因感於全球產業蓬勃發展,故決意增廠制銷,以供國內所需,進而外銷海外各地,高壓鼓風機為生產製造業廣泛需用之機械,粉粒料的排,吸法輸送,液體攪拌和裝瓶,燃燒和養殖的供氧.散熱設備及環境之冷卻,無观存在不需要它;由於高壓氣流的進口和氣流下端有負壓,因之亦可作為吸著應用.塑膠,金屬,化工,礦業,養魚,醫療,裝填,包裝等等,均有極大的需求.






粤ICP备11012611号
